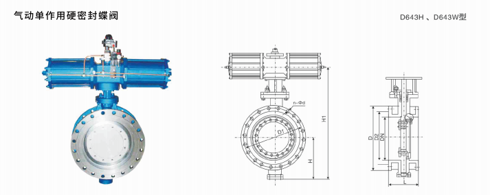
主要性能参数
公称通径 DN(mm) 50-1000
公称压力 PN(MPa) 1.0 1.6 2.5
试验压力 强度试验 1.5 2.4 3.75
密封试验 1.1 1.76 2.75
气密封试验 0.6 0.6 0.6

 

主要外形及连接尺寸(单位:mm)
公称通径
(DN)
主要尺寸 法兰尺寸和螺栓规格
1.0MPa 1.6MPa 2.5MPa
L H1 H D D1 n-Φd D D1 n-Φd D D1 n-中d
50 108 350 112 165 125 4-18 165 125 4-18 165 125 4-18
65 112 370 115 185 145 4-18 185 145 4-18 185 145 8-18
80 114 380 120 200 160 4-18 200 160 8-18 200 160 8-18
100 127 420 138 220 180 8-18 220 180 8-18 235 190 8-22
125 140 460 164 250 210 8-18 250 210 8-18 270 220 8-26
150 140 555 175 285 240 8-22 285 240 8-22 300 250 8-26
200 152 760 200 340 295 8-22 340 295 12-22 360 310 12-26
250 165 830 243 395 350 12-22 405 355 12-26 425 370 12-30
300 178 895 250 445 400 12-22 460 410 12-26 485 430 16-30
350 190 950 280 505 460 16-22 520 470 12-26 555 490 16-33
400 216 1190 305 565 515 16-26 580 525 16-26 620 550 16-36
450 222 1255 350 615 565 20-26 640 585 16-30 670 600 20-36
500 229 1305 380 670 620 20-26 715 650 20-30 730 660 20-36
600 267 1340 445 780 725 20-30 840 770 20-33 845 770 20-39
700 292 1520 480 895 840 24-30 910 840 24-36 960 875 24-42
800 318 1710 530 1015 950 24-33 1025 950 24-39 1085 990 24-48
900 330 1810 580 1115 1050 28-33 1125 1050 28-39 1185 1090 28-48
1000 410 1960 650 1230 1160 28-36 1255 1170 28-42 1320 1210 28-56
1200 470 2250 760 1455 1380 32-39 1485 1390 32-48 1530 1420 32-56

 

标签: ,

注:产品资料仅供参考,如有疑问请与我司联系!